广东-凤楼论坛_楼凤宫论坛(品茶)_小海棠全国论坛最新信息_凤江湖论坛入口

浙轮电力主营APF有源电力滤波装置、电容器系列、电抗器系列、智能复合开关和无功补偿控制器等产品。
ZLDL-电抗器系列
ZLDL-DV/DT滤波电抗器
所属分类:ZLDL-电抗器系列

 应用电路:
异步电机变频传动,变频器输出侧,抑制开关频率纹波电流所衍生的高次谐波电流,降低长电缆行波反射dv/dt瞬变电压,从而降低电机涡流损耗及噪音,?;さ缁怠V饕τ糜诘缭吹缪构摺⒗系缁脑?、非变频电机绝缘强度较低、频繁制动、较长电缆传输场合。


性能特点


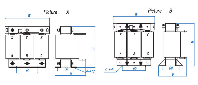
尺寸及技术参数:


dv/dt滤波器技术参数:


 备注:
产品标示A、B、C为滤波器三相输入端,X、Y、Z为滤波器三相输出端。



主站蜘蛛池模板: 桦甸市| 军事| 津市市| 博野县| 周至县| 巴林右旗| 奈曼旗| 丁青县| 铅山县| 行唐县| 黎川县| 昌图县| 龙江县| 溧水县| 响水县| 泰宁县| 涟水县| 孝义市| 长春市| 衡山县| 东平县| 玛纳斯县| 文安县| 高雄市| 咸阳市| 汽车| 海口市| 交城县| 阿荣旗| 万全县| 镇远县| 宁城县| 乐都县| 双流县| 崇仁县| 新邵县| 辉南县| 永春县| 伊川县| 都匀市| 东城区|