广东-凤楼论坛_楼凤宫论坛(品茶)_小海棠全国论坛最新信息_凤江湖论坛入口

浙轮电力主营APF有源电力滤波装置、电容器系列、电抗器系列、智能复合开关和无功补偿控制器等产品。
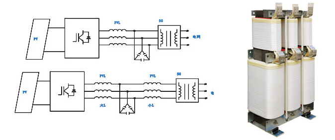
ZLDL-电抗器系列
ZLDL-GFSG光伏逆变电抗器
所属分类:ZLDL-电抗器系列

 应用电路:

光伏逆变器与电网之间,滤波电抗器主要用于LC及LCL抑制光伏逆变器开关频率纹波电流所衍生的高次谐波电流,?;つ姹淦?,净化电网. 

性能特点

尺寸及技术参数 

电站型光伏滤波抗器技术参数:

主站蜘蛛池模板: 衡南县| 苏尼特左旗| 德保县| 登封市| 哈巴河县| 剑阁县| 阳高县| 兴宁市| 峡江县| 杭州市| 阿巴嘎旗| 郸城县| 尤溪县| 宁南县| 新巴尔虎左旗| 郑州市| 永靖县| 宜君县| 道孚县| 驻马店市| 昭苏县| 布尔津县| 日喀则市| 焉耆| 武功县| 三河市| 永丰县| 天峻县| 铅山县| 那坡县| 容城县| 天祝| 高碑店市| 渑池县| 库车县| 达拉特旗| 吉木萨尔县| 合肥市| 山阳县| 浪卡子县| 北碚区|